高溫型磁翻板液位計合用于高溫高壓液體容器的液位、界位的測量和節制。清楚的指示出液位的高度,顯示直觀耀眼,磁翻板液位計指示器與貯罐完全隔離,運用安全、設計合理、結構簡單、安裝便當可靠、功用不變、運用壽命長、維修費用低、便于安裝維護等優點。
用戶可根據工程需求,一起遠傳變送器運用,可完成就地數字顯示,以及輸出4~20mA的標準遠傳電旗子暗號,以一起記錄儀表,或工業歷程節制的需求磁翻板液位計。也可以一起磁性節制開關或接近開關等運用,對液位監控報警或對進液出液設備進行節制.
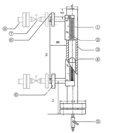
磁翻板液位計由本體、翻板箱(由紅、白雙色磁性小翻板組成)、浮子、法蘭蓋等組成,用于各類液體容器的液位測量。磁翻板液位計能用于高溫、防爆、防腐、食品飲料等場合、作液位的就地顯示或遠傳顯示與控制。UHZ系列磁翻板液位計可以做到高密封、防泄漏和在高溫、高壓、高粘度、強腐蝕性條件下安全可靠地測量液位,全過程測量無盲區、顯示醒目,讀數直觀,并且測量范圍大,配上液位報警、控制開關,可實現液位或界位的上下限報警和控制,配上XT系列液位變送器可將液位。界位信號轉換成二線制4~20mADC的標準信號,實現遠距離檢測、指示、記錄與控制。UHZ系列磁翻板液位計**用于電力、石油、化工、冶金、環保、船舶、建筑、食品等行業生產過程中的液位測量與控制。
磁翻板液位計結構及工作原理
1、基本型
根據浮力原理,浮子在測量管內隨液位的升降而上、下移動,浮子內的**磁鋼通過耦合作用,驅動紅、白色翻柱翻轉180°,液位上升時翻柱由白色轉為紅色,下降時由紅色轉為白色,從而實現液位指示。
2、電遠傳
在浮子液位計上安裝變送器,通過浮子上下移動,經磁耦合作用使導桿內測量元件依次動作,獲得電阻信號變化,轉換成0~10mA或4~20mA的標準信號輸出,與顯示儀表或計算機連接,達到遠傳目的。
3、上下限開關輸出
在液位計立管上由用戶設定上、下限位置安裝控制器,控制器內帶有自保持作用的舌簧開關,利用磁性浮子隨液位移動使簧片開關動作時,實現報警或限位控制。

磁翻板液位計結構如下圖所示:

高溫型磁翻板液位計技術參數
● 正常工作條件
環境溫度 -25℃~70℃
相對濕度 5%~100% (包括凝露和直接濕)
大氣壓力 86MPa~108MPa
● 測量范圍 500mm~3000mm分檔
● 測量精度 浮子式指示器±20mm
翻柱式指示器±20mm
● 工作壓力 1MPa、1.6MPa、2.5MPa、4MPa、6.3MPa
● 介質密度 0.5g/cm3~1.8g/cm3分檔
● 介質粘度 ≤0.05Pa·s
● 介質溫度 -25~80℃ 、(高溫型0~200℃)、(**高溫型0~450℃)
● 跟蹤速度 ≤0.8m/s
● 接觸介質材料 1Cr18Ni9Ti 聚四氟乙烯
● 控制點誤差 ±10mm
● 回 差 不超過基本誤差
● 重復性誤差 不超過基本誤差
● 開關控制點的接點容量 AC或DC220V;1A(純阻性負載)
● 控制點間*小間距(mm) 60
● 外殼防護等級 IP54
● 顯示儀表 XMT-124D數字顯示表(可設定上下限報警及輸出
4~20mA信號)外形尺寸160×80×180
● 防爆等級 dⅡBT4
系統構成及接線
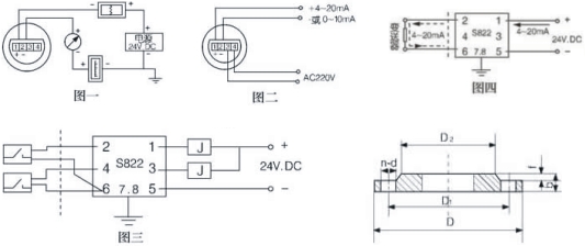
1、上下限開關輸出
由具有自保持作用的舌簧開關和轉換器組成,舌簧開關和轉換器分別安裝于現場和控制室,由轉換器提供三對觸點開關。
2、電遠傳
由測量單元和變送單元兩部分組成。
3、本安防爆
a 帶本安防爆,上、下限開關輸出型
防爆開關由舌簧開關和帶繼電器觸點的安全柵組成,可向用戶直接提供一對常開或常閉觸點。如用戶需更多觸點可特殊設計訂貨。(圖三)
b 帶本安防爆遠傳型
適合使用于∏類電氣設備(工廠用)、C級氣體,*高表面溫度組別T4(135℃)。(圖四)
c 使用注意事項
①變送器外殼設有外接地,用戶使用時必須可靠接地。
②安全柵的使用應遵守有關使用說明內容。
③變送器與安全柵本安端的連接電纜為二芯屏蔽電纜,芯線截面積>0.5m,電纜允許分布電容為0.8μF

用戶自備法蘭
| 安裝形式 | 主體材質 | 公稱直徑 | 公稱壓力 | D | D1 | D2 | n | d | f | b |
| 側裝 | 不銹鋼 | 20 | 4.0 | 105 | 75 | 56 | 4 | 14 | 2 | 16 |
| ABS | 20 | 10 | 105 | 75 | 56 | 4 | 14 | 2 | 16 | |
| 頂裝 | 不銹鋼 | 200 | 2.5 | 360 | 310 | 274 | 12 | 26 | 3 | 32 |
| ABS | 200 | 0.6 | 320 | 280 | 274 | 8 | 8 | 3 | 32 |
高溫型磁翻板液位計選型:
基本型號 | 工作 壓力 | 報警器 配 置 | 變送器 配 置 | 防爆 要求 | 法蘭 通徑 | 測量 范圍 | 特殊 型式 | 表示意義 |
XT-UHZ- | —□ | —□ | □ | □ | —□ | —□ | /□ | 型譜 |
P | *高工作壓力(MPa) | |||||||
O | 無報警器 | |||||||
B | 配報警器 | |||||||
O | 無變送器 | |||||||
M | 配MY型變送器 | |||||||
J | 配JY型變送器 | |||||||
O | 無防爆要求 | |||||||
d | 隔爆型 | |||||||
D1 | DN20 | |||||||
D2 | DN25 | |||||||
L | 法蘭中心距(mm) | |||||||
Z | 夾套型 | |||||||
W | 高溫型 | |||||||
F | 防腐型 | |||||||
Y | 高壓型 | |||||||
R | 電熱帶式 | |||||||
H | 防火花式 | |||||||
S | 防霜型 | |||||||
X | 指示器下置式 | |||||||
D | 指示器上置式 |




